Orchard Audio X Zeos Valencia Headphone Power Amp Review & Measurements
Orchard audio is most well known for their class-D speaker amplifiers, but the Valencia offers a departure in both aspects. This is a powerful class AB headphone amp, one which rather unusually follows a ‘power amplifier’ design, having fixed gain and no volume control with the aim of increased transparency, but is the sacrifice in convenience worth it?
Introduction
Orchard audio is most well known for their class-D speaker amplifiers, but the Valencia offers a departure in both aspects. This is a powerful class AB headphone amp, one which rather unusually follows a ‘power amplifier’ design, having fixed gain and no volume control with the aim of increased transparency, but is the sacrifice in convenience worth it?
Design
The Valencia’s external build offers a clean matte finish chassis with Orchard’s signature angled front-plate. The chassis isn’t quite as solid as some alternatives such as the Austrian Audio Full-Score-One or Holo Bliss, but is about on par with some similarly priced or even more expensive competitors such as both the Ferrum OOR and Chord Alto.
Engravings of the orchard audio logo on the top and the labeling on the front are a tasteful touch, and I have to say I am quite a fan of the angled aesthetic that Orchard is known for.
The rear of the unit offers the expected IEC inlet for the internal power supply, balanced XLR inputs, no RCA unfortunately though it is safe to passively adapt an RCA output to an XLR input if needed, and a set of speaker outputs as well. The Valencia can not only drive headphones but can also be but to use driving more sensitive speakers with its 8W @ 8 Ohm power capability. This could be quite a nice addition for those wanting to run this unit at their desk and drive both their headphones and passive bookshelves, although it would have been nice to provide the ability to select or switch between the two outputs, as currently playing to the headphones without playing to the speakers requires physically disconnecting the speakers. This makes it a bit less convenient for true dual use, though is still a nice feature to include.
The internal is where things get a little interesting. There isn’t really any other way to describe it besides a little bit empty, and perhaps disappointing given the $2000 MSRP of this amplifier.
Some of that is simply due to the fact that many of the parts found in most amplifiers just aren’t needed here. No need for gain switching, no need for volume control, all that’s needed is the main fixed gain amplifier itself and the power supply.
There are also some deceptively expensive components, such as the 24 OPA1622 opamps hidden underneath the red mainboard.
But nonetheless, this is a very expensive amplifier considering what’s inside the box, and as such it better measure up to its competitors at those higher prices. So let’s have a look!
Sound
The Valencia can be described subjectively as an amplifier that provides an impressively neutral, transparent signature. Though given its design this is also quite dependent on what you use to do volume control upstream and the results I got varied depending on my source.. The Valencia has a 14dB (5x) gain, which means the standard 4V output of a typical balanced DAC will be taken up to around 20V at the output, and therefore with almost any headphone besides perhaps a Modhouse Tungsten, it’s likely you will need to attenuate the signal significantly prior to feeding it to the amp if you do not wish to go deaf. When doing small amounts of attenuation, your volume control mechanism is unlikely to be of much concern, but when doing perhaps 30dB or more attenuation for less demanding headphones running on the Valencia, there can be some more obvious differences between different preamplifiers or in fact the digital volume control in your DAC. I had ‘ok’ experiences using the digital volume control in the dCS LINA and SMSL RAW DAC with the Valencia, but found that particularly when using the amp with headphones that weren’t especially demanding and thus needed larger amounts of volume attenuation, this did provide a flatter, duller sounding result. The LINA’s digital volume control seemed noticeably superior to that of the SMSL RAW DAC, but swapping to using the Holo Serene KTE as a dedicated high quality analog preamplifier was a significant improvement, and so I stuck to using analog preamps for the rest of my evaluation, mostly using the analog volume control built into the Ferrum Wandla GSE given as that is the DAC I primarily use in my headphone system.
Given the massive amount of power on tap from the Valencia, it’s no surprise that headphones such as the Hifiman Susvara OG and Abyss 1266, both known for being quite difficult to drive, sounded excellent on it. Even when playing at louder volumes than I would typically listen, they were driven with grip, authority and at no point did it ever feel as though the headphones were held back by the amp itself. They were hard hitting and clear, whilst carrying hardly any obvious colouration to the sound.
I also tried using both the Holo Serene and Zahl HM1 as preamplifiers into the Valencia, then comparing to the direct headphone output of each, allowing me to see what differences the Valencia was adding to the sound when in the signal path, and the results here were quite impressive. There was hardly any change whatsoever, with the main difference being a very slight increase in perceived treble brightness, though nowhere near the extent of what I got when doing the same with the Topping A90, and far less of a change in sound overall than repeating with the Chord Alto or Austrian Audio Full Score One. The Valencia is a remarkably transparent sounding amp with just a hint of additional treble energy. This did not bother me for the vast majority of listening, in fact in many instances being quite enjoyable particularly with headphones such as the ZMF Atrium that can do with a little assistance to become more incisive. The only time this was a concern was with tracks that were already produced with a more aggressive sound, and on the Valencia those could at times be a little more fatiguing than I would have liked. When using IEMs, I found that it was a surprisingly good source despite the enormous power implying it may be designed more towards the opposite end of the driving-difficulty spectrum. The low noise from the Valencia meant there was no problem with audible hiss, coupled with the extremely low 0.08 Ohm output impedance ensuring the IEMs I was using didn’t see even the slightest change in frequency response. The caveat here is simply that again when needing to attenuate the signal so heavily, the choice of preamplifier made a notable difference to the resulting sound.
Detail and timbre were also both excellent, providing a significant improvement in accuracy and technical performance vs cheaper options such as the Hifiman EF400, and keeping up fairly happily with the similarly priced Ferrum OOR. In general there was little from a sound quality perspective that I could critique about the Valencia. I’ve really enjoyed my listening time with it, and my primary complaints are less to do with the sound or objective performance of the amplifier, and more to do with the setup and convenience drawbacks of having a power amplifier with no volume control inherently.
I also feel I have to say that the price is a tough pill to swallow given the relative emptiness of the unit’s internals, but it does not seem to be trailing behind when it comes to performance, and so the judgement of value is likely going to have to fall upon you as an individual and your own preferences and priorities.
For more detailed impressions check out my video review:
Measurements
Measurements Include:
- THD+N (SINAD)
- Bandwidth
- THD+N vs Frequency
- Power
- Output Impedance
- CMRR (Common Mode Rejection Ratio)
- Power On/Off Behaviour (Safety Test)
- Volume Matching vs Level of Attenuation
- Noise (20hz-20khz, 20hz-96khz and 20hz-1Mhz)
- Intermodulation Distortion (IMD)
- Dynamic Intermodulation Distortion (DIM)
- Crosstalk
- Multitone
- Square Wave Output
Additional measurements and test information available in the full report
Tests conducted with standard 4V line level XLR input, and tested at 4V output, 700mV (Headphone Level) output, and 50mV (IEM Level) Output.
Test Setup
- Audio Precision APx555 B-Series analyzer
- Measurement setup and device under test are running on regulated 230V power from a Furman SPR-16-Ei and an AudioQuest Niagara 3000 Power Conditioner
- Valencia was warmed up for 12 hours prior to testing
- Amplifier was fed with a voltage that corresponds to a 4V output so results can be compared to that of other amplifiers
- Front XLR output used for all measurements
- Exact analyzer/filter configurations for each measurement are detailed in the full reports
- CH1 (Blue) = Left, CH2 (Red) = Right
Full Measurement Reports
Results
Gain: 14dB
SNR: 117dB
IMD SMPTE: -`04dB
CMRR: 18dB (Unusually low for a balanced amp?)
DC Offset: 1.7mV
Output Impedance: 0.08 Ohm
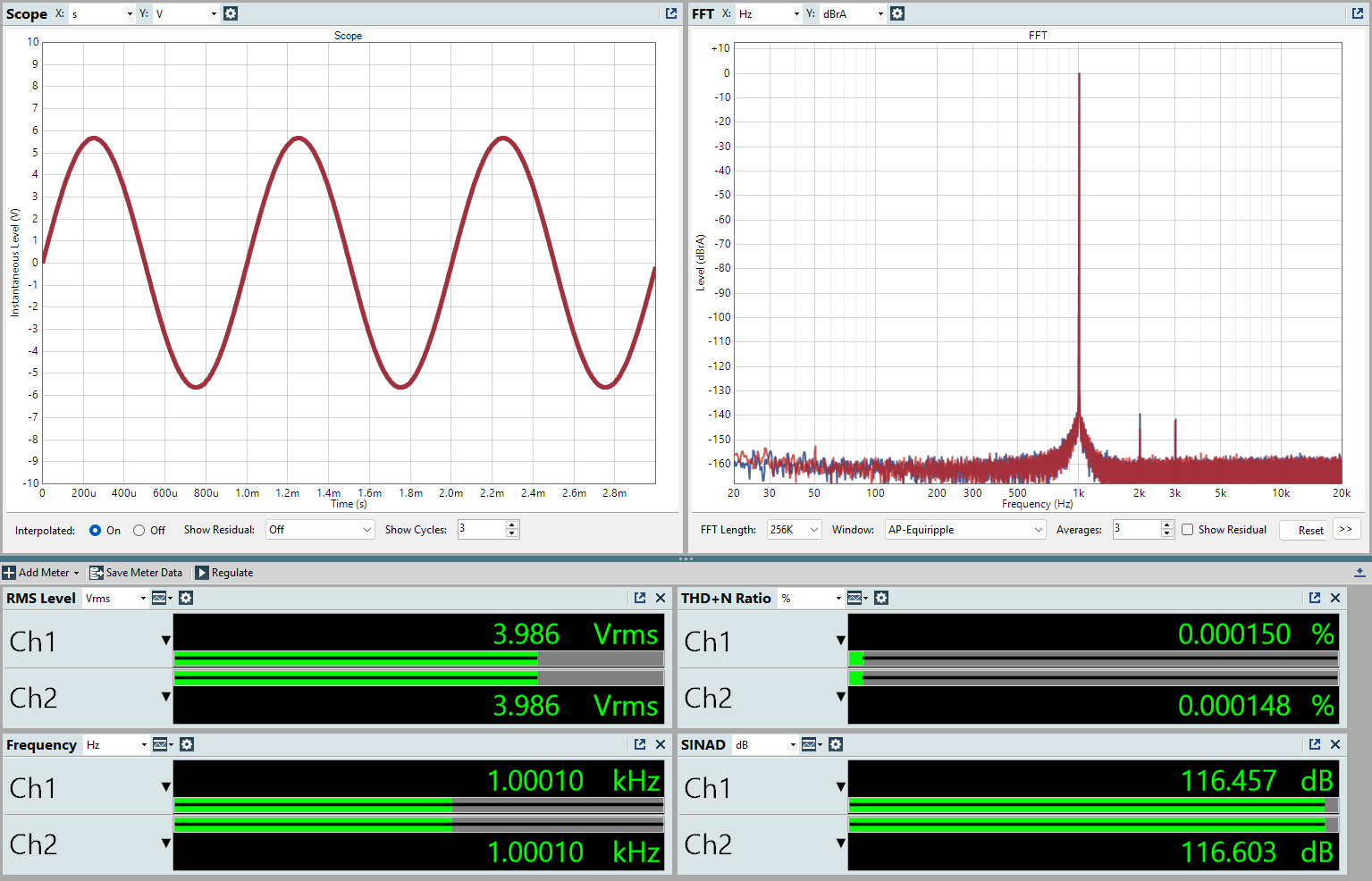
THD+N / SINAD
1khz Sine, 4V output (300Ω Load):
The Valencia has extremely low distortion and noise, yielding an impressive ~117dB SINAD figure at 1khz.
1khz Sine, 4V output (32Ω Load):
Switching to a more difficult 32 Ohm Load, distortion increases marginally as is common, though keeps to a rather ideal 2nd order dominated profile.
1khz Sine, 4V input, 50mV output (IEM Level, 12Ω Load):
The Valencia can also quite comfortably be used to run IEMs thanks to the low noise floor. There are better options available if you are primarily an IEM user, but there’s certainly little need to switch away from it if you did want to run them now and then. The primary concern when running IEMs is likely to be a limit of your volume control, not the Valencia itself, since with a 4V DAC feeding the Valencia, getting to 50mV requires over 50dB of volume attenuation. It is therefore very likely that in most instances you will be limited by the noise output of your DAC or preamp rather than the Valencia.
Power
THD vs Output Level in Watts
THD vs Output Level in dBv, 0dBv=1V
The Valencia delivers up to 17W into 32 Ohm, and a little over 20Vrms into high impedance 300 Ohm loads. 17W is certainly an enormous amount and means you’ll have absolutely no trouble driving demanding planars or ribbon headphones without any concern of pushing the amplifier even close to its limits. But it is worth noting that for high impedance yet demanding headphones like the Modhouse Tungsten, where voltage output is your limit, 20Vrms out is standard for a large portion of amps on the market, and so the additional power capability at low impedances is not going to be of any benefit here.
THD+N vs Frequency (96khz capture bandwidth)
(96khz bandwidth used on the analyzer. Don’t compare this directly to standalone audible band THD+N measurements as the measurement setup is not the same.)
One channel shows a slight increase in distortion around 5khz that is not present in the other, though very minor, and otherwise distortion vs frequency is extremely consistent.
Power On/Off Behaviour
This test shows the output of the device when turned on/off, to check whether the output may put connected headphones at risk. Regardless of what this test may show, please ALWAYS disconnect your headphones when turning any amplifier on/off unless the manufacturer explicitly instructs you to do otherwise.
Turning on (from cold, 300Ω load):
Turning off (from warm, 300Ω load):
Activity when turning on or off does produce a spike of up to about 18mV, which is nothing of concern in most instances, however if running very sensitive headphones it is probably best to disconnect the headphones from the amp prior to powering it on or off.
Noise (1M FFT, 3 Averages)
Balanced output
Noise is overall extremely low. Some switching noise remains likely from the SMPS power supply, and this would have been nice to see some additional filtering to remove. But very low overall and likely of little concern.
IMD
IMD is comfortably low.
Dynamic IMD (DIM)
Dynamic intermodulation distortion also remains low and fairly consistent.
Crosstalk
Crosstalk performance is moderate, though does get a little high at higher frequencies. One channel seems to pick up slightly more than the other as well.
Multitone
Here we can see a repeat of that slight 5khz distortion increase, but with around 115dB of distortion free range, again it’s very likely your preamp or DAC will be the limiting factor in this setup.
Square Wave Output
High bandwidth and DC coupling yields a clean square wave output.
Summary
The Valencia is an objectively great performing amplifier, and one that subjectively I very much enjoyed. It won’t be for everyone, as not only is it a fairly expensive amp in and of itself but it also requires investment into a decent preamp as well, but for those that do have one on hand, this amplifier competes quite nicely with similarly priced options. It’s just a bit difficult to look past the internals given the steep price, but value is something that each person will have to judge for themselves.
